
Table of Contents
AUDIO PROJECTS
True Bypass EFX
Send/Receive EFX
Low Impedance Preamp
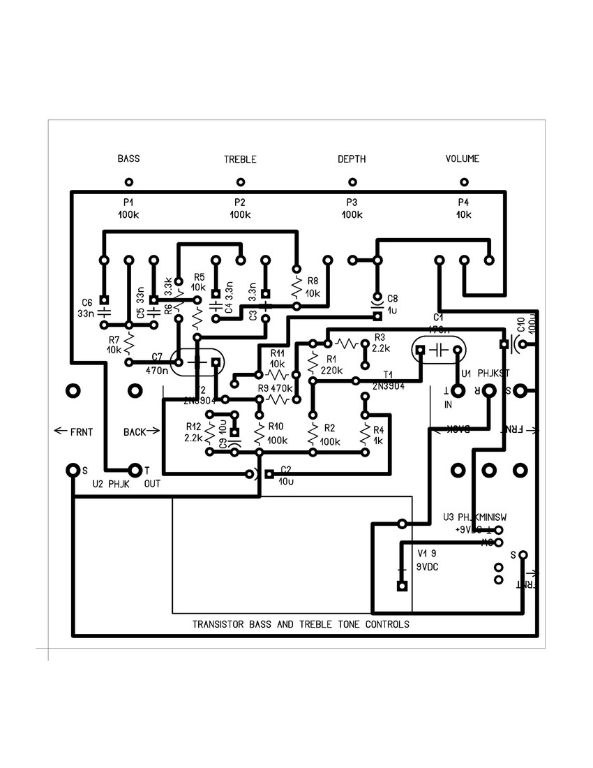
Transistor Bass and Treble Tone Controls
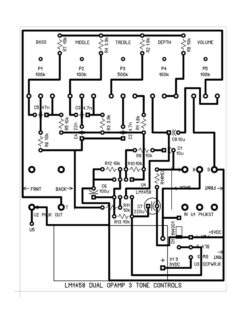
LM1458 Dual OpAmp 3 Tone Controls
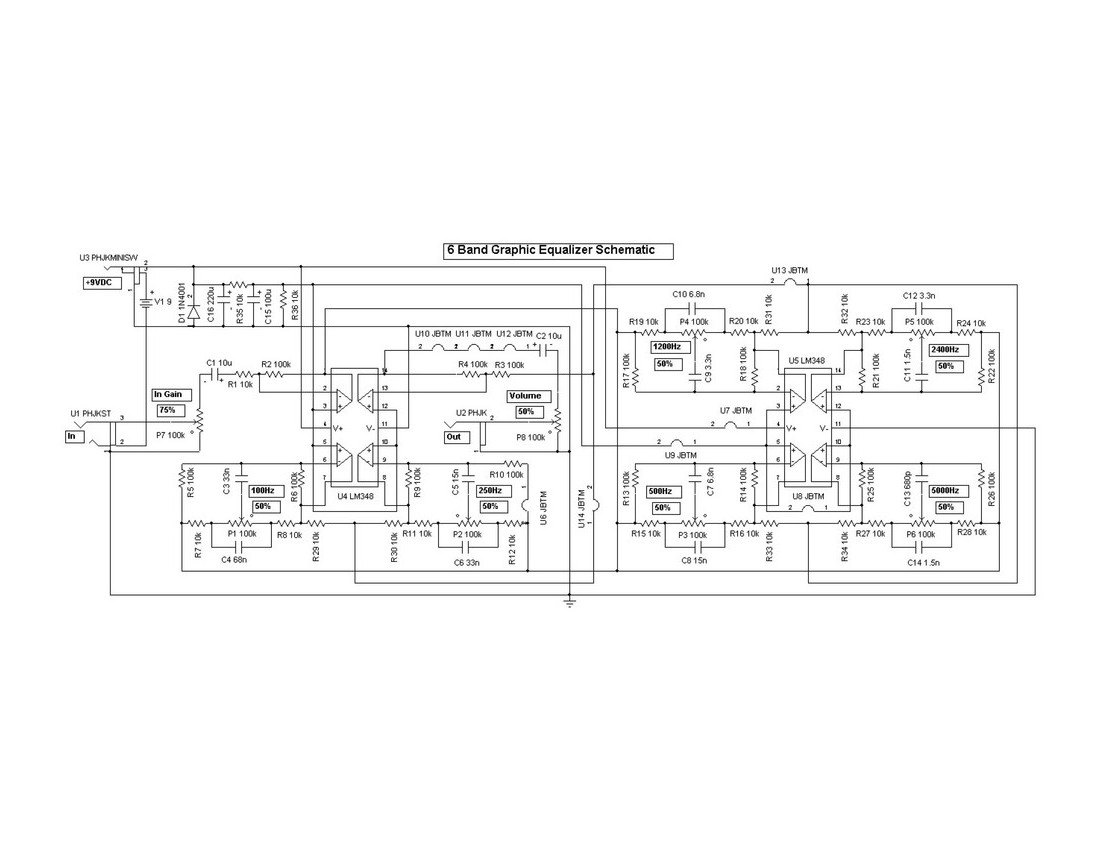
6 Band Equalizer
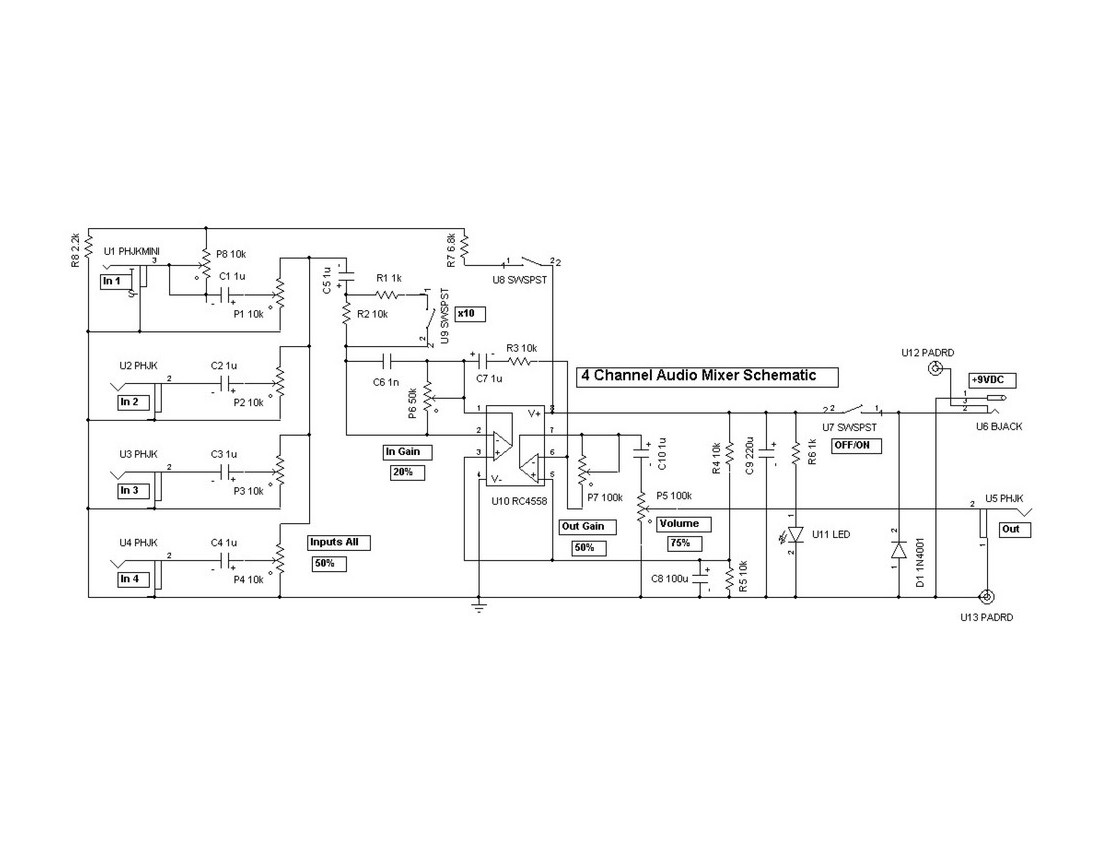
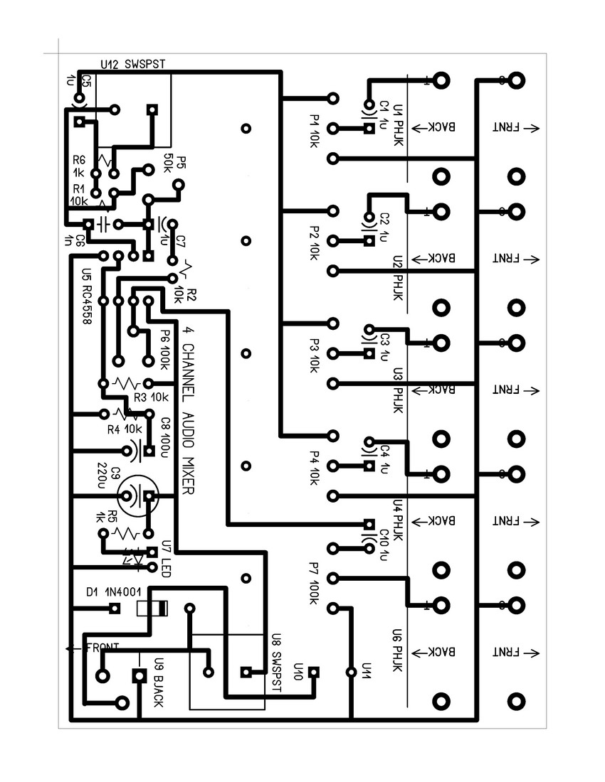
4 Channel Audio Mixer
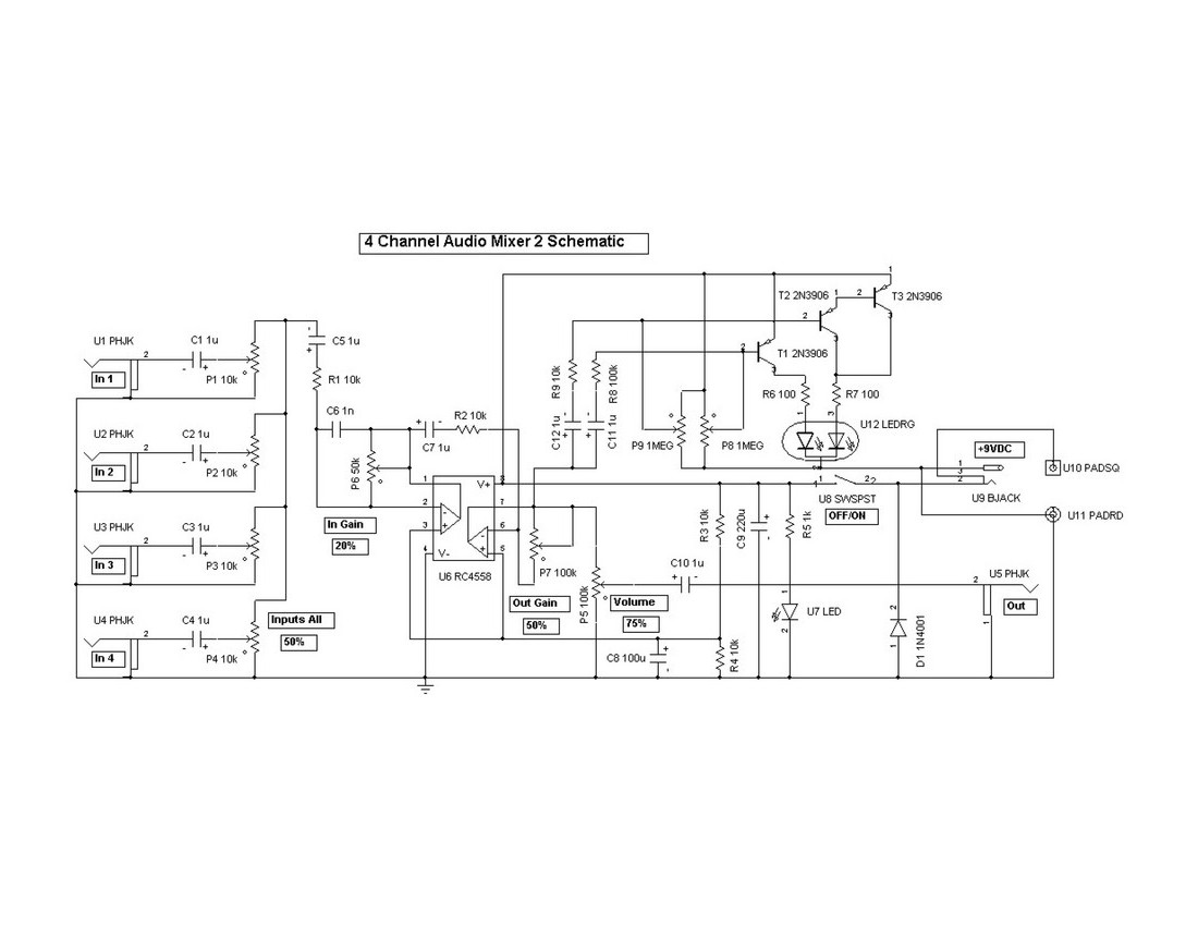
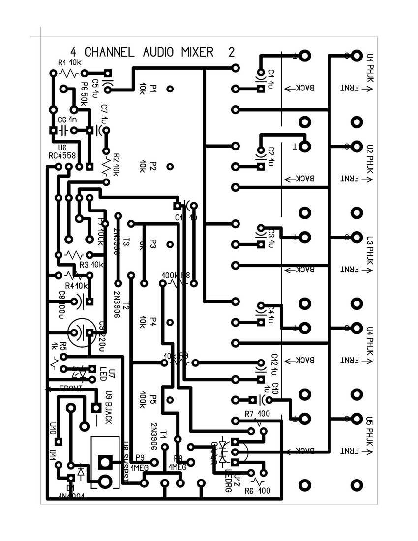
4 Channel Audio Mixer 2
Audio Overdub Mixer
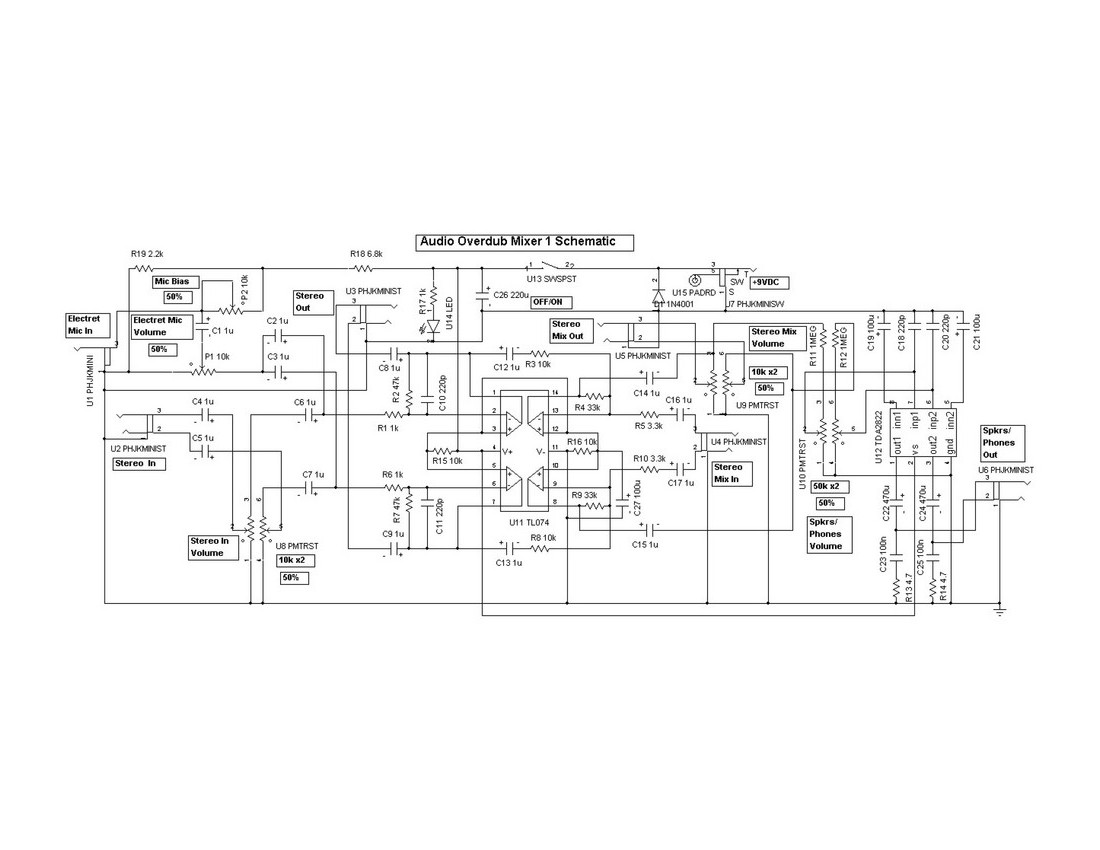
Audio Overdub Mixer 1
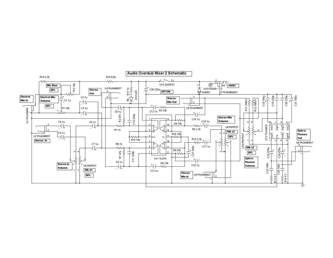
Audio Overdub Mixer 2
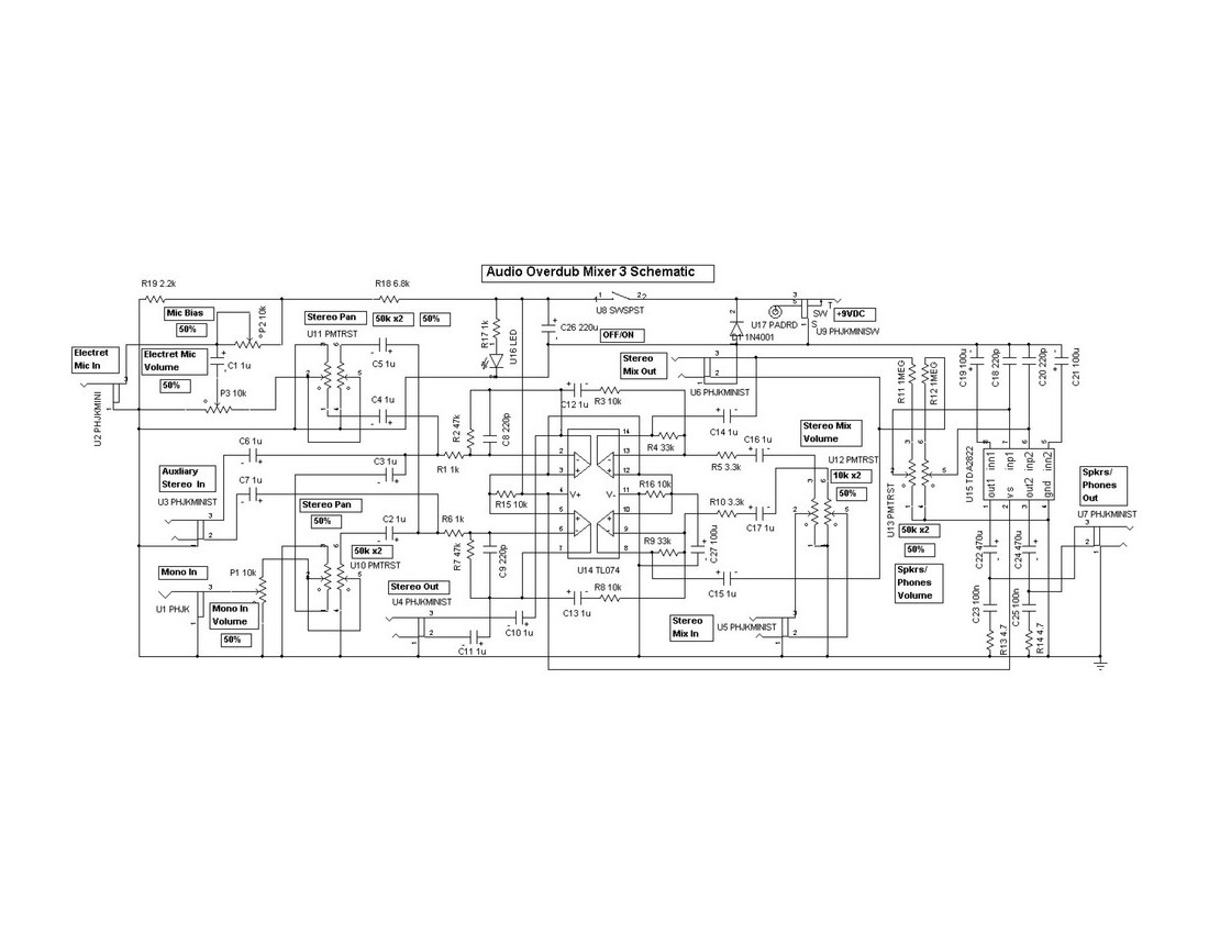
Audio Overdub Mixer 3
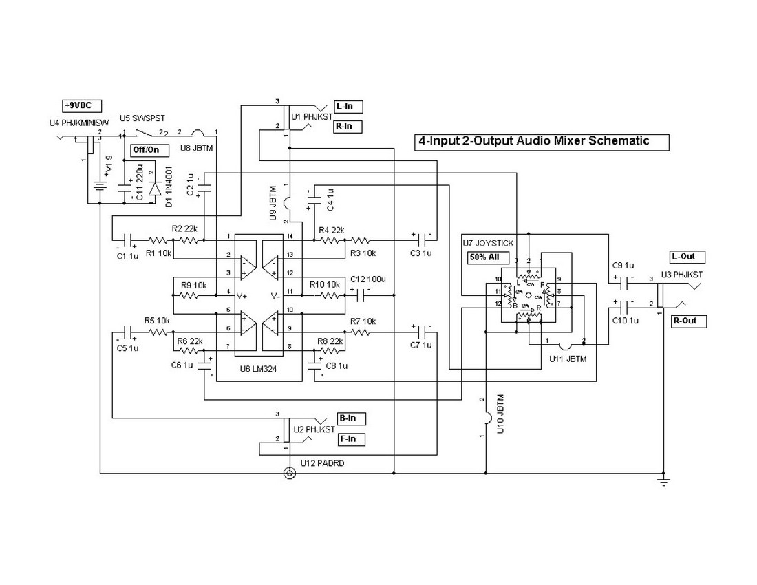
4-Input 2-Output Audio Mixer
AAA FUZZ (2 Versions)
Vintage Guitar Fuzz (3 Versions)
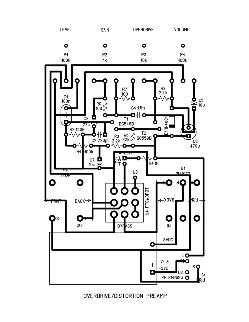
Overdrive/Distortion Preamp
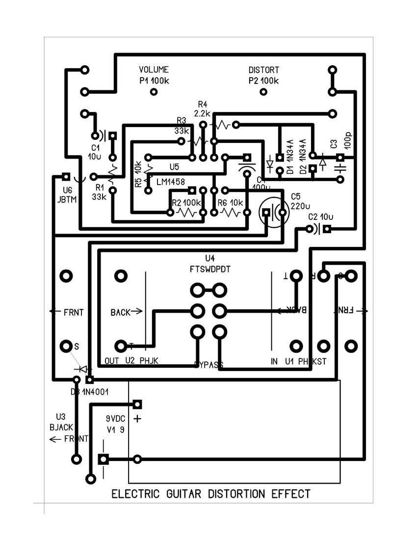
Electric Guitar Distortion Effect
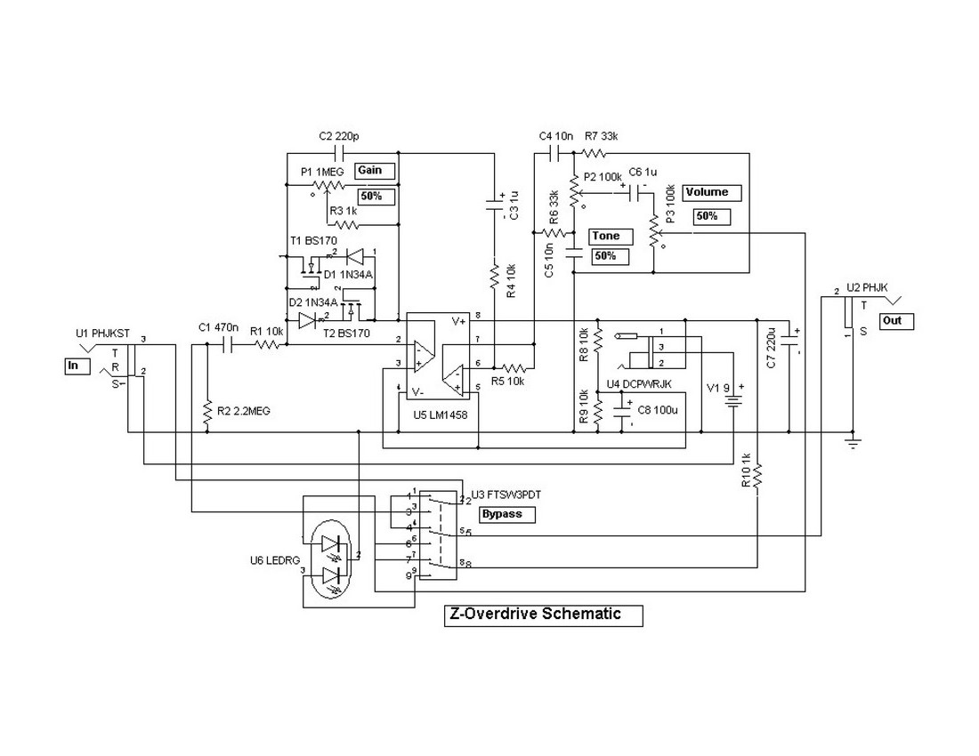
Z-Overdrive
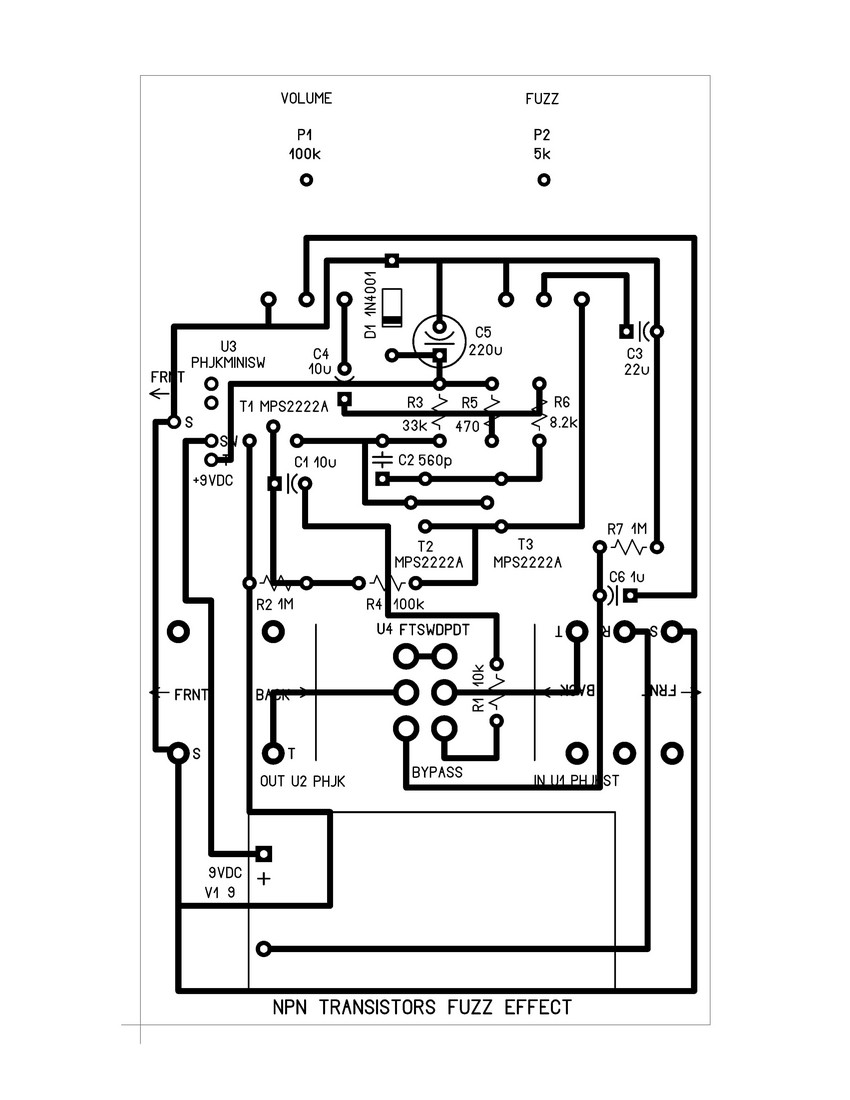
NPN Transistors Fuzz Effect
LM741-LM386 Overdrive/Distortion Effect
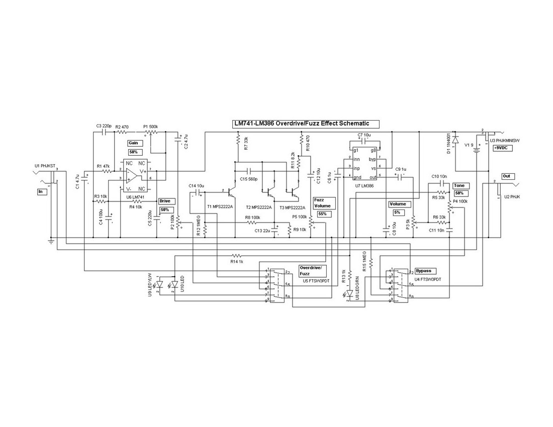
LM741-LM386 Overdrive/Fuzz Effect
LM741/Transistors Octave Fuzz Effect
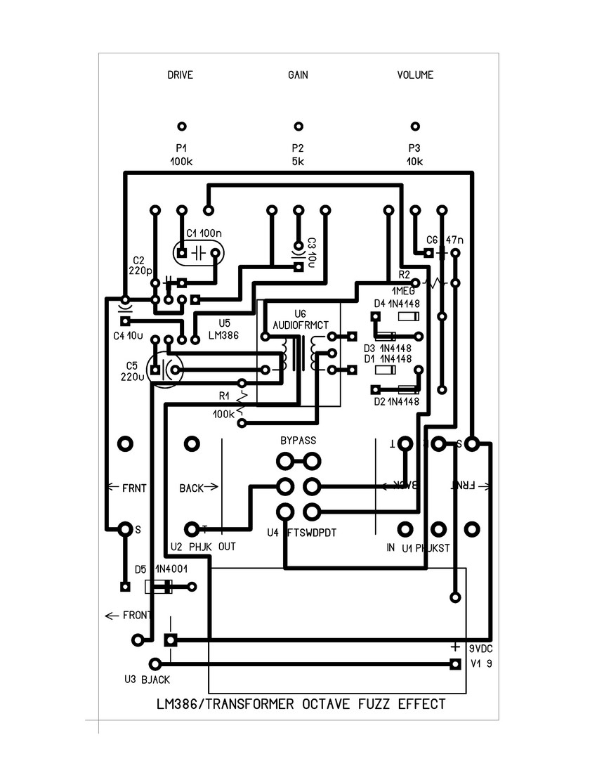
LM386/Transformer Octave Fuzz Effect
Transistors/Transformer Octave Fuzz Effect
Transistors Octave Fuzz Effect
Octave SuperFuzz Effect
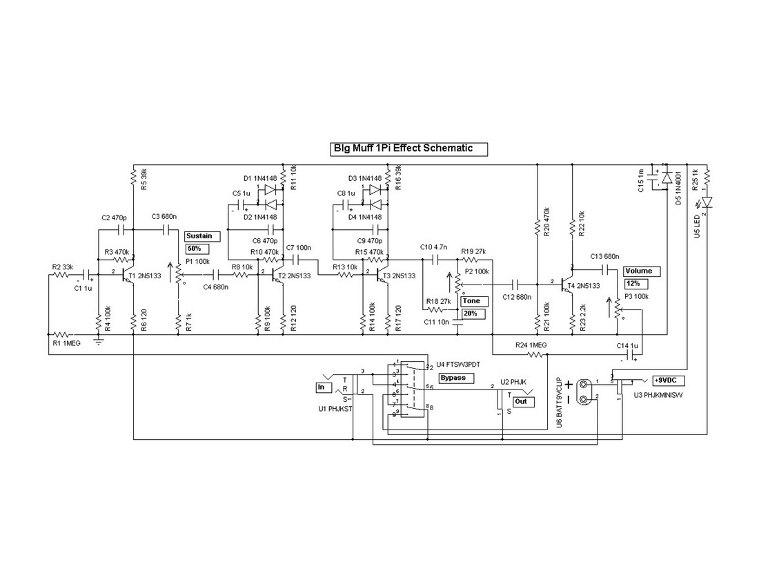
Big Muff 1Pi
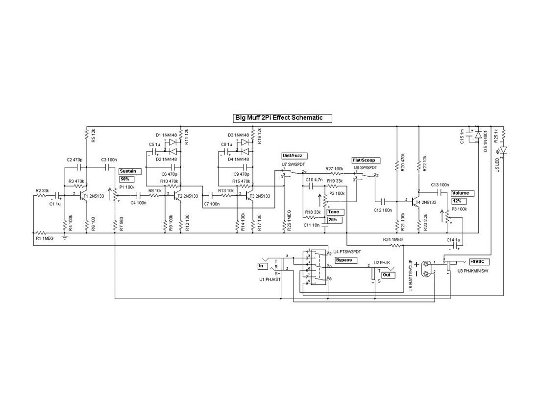
Big Muff 2Pi
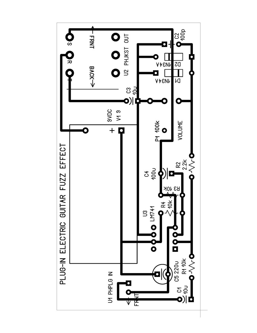
Plug-In Electric Guitar Fuzz Effect
OpAmp/12AX7A Tube Overdrive Effect
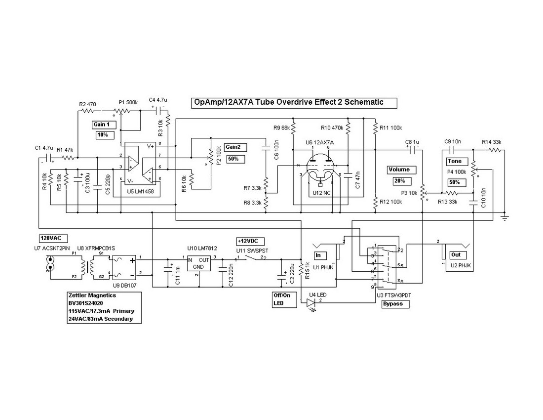
OpAmp/12AX7A Tube Overdrive Effect 2
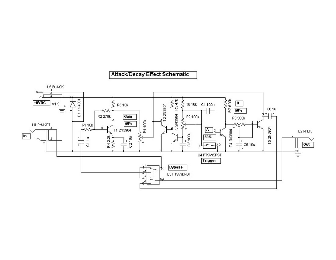
Attack/Decay Effect
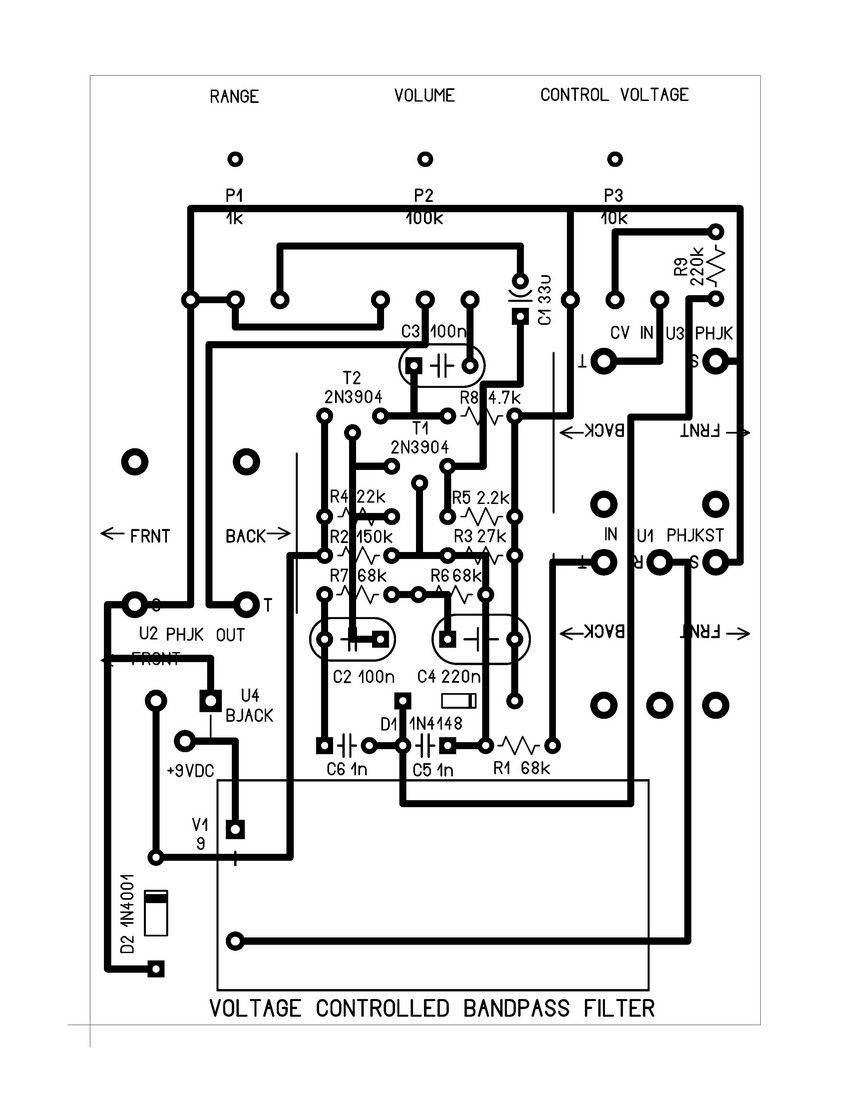
Voltage Controlled Bandpass Filter
AutoWah Effect
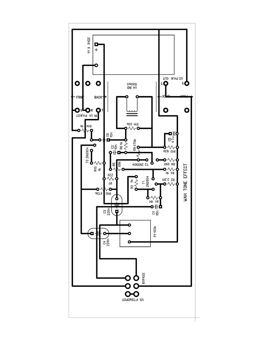
Wah Tone Effect
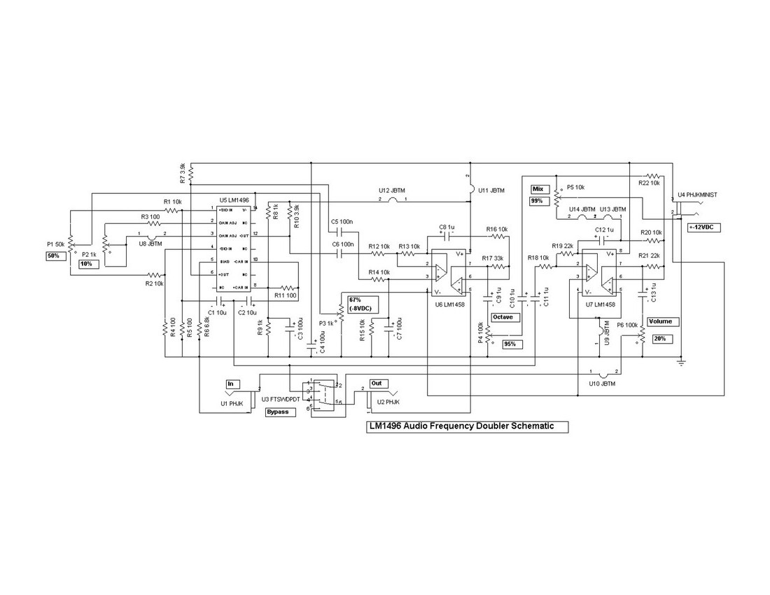
LM1496 Audio Frequency Doubler
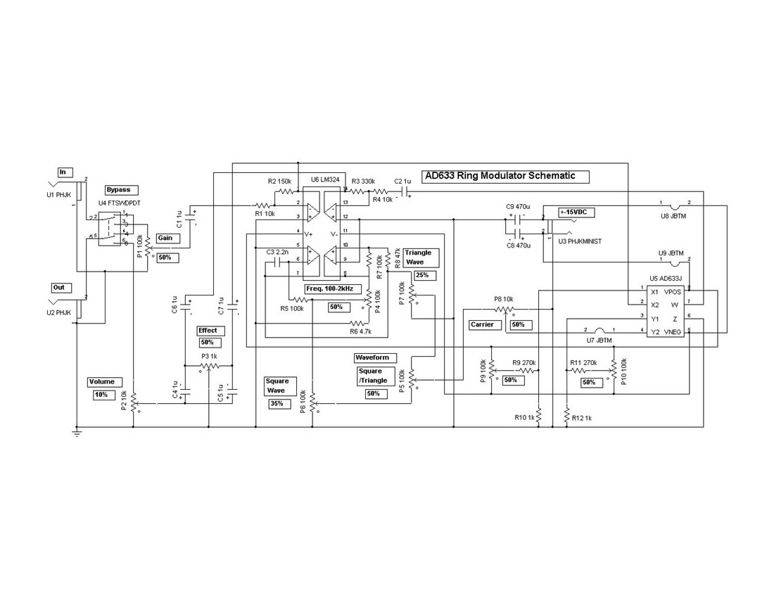
AD633 Ring Modulator
LM386 Square Wave Oscillator (w/Speaker)
LM386 Square Wave Oscillator PCB
2 Transistor Sine Wave Audio Signal Generator
Audio Signal Injector
Signal Injector/Tracer
LM386 Low Voltage Audio Amplifier
DC POWER SUPPLY PROJECTS
5 VDC w/Backup Power
9 VDC Power Supply
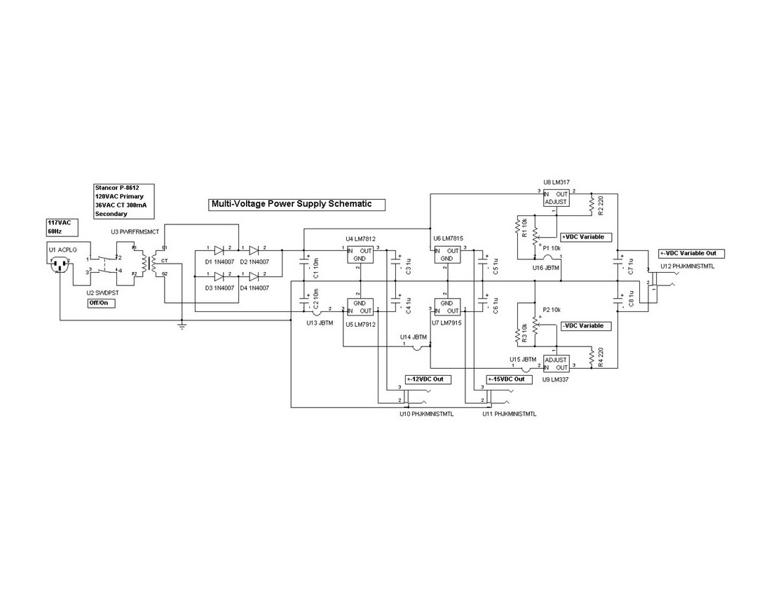
Multi-Voltage Power Supply
Variable DC Power Supply 1
Variable DC Power Supply 2
Variable DC Power Supply 3
Variable DC Power Supply 4
VALVE PROJECTS
5U4GB Power Supply
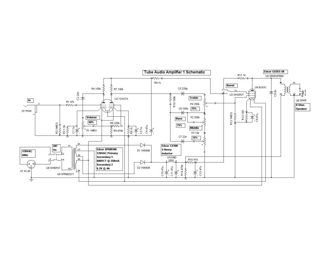
Tube Audio Amplifier 1
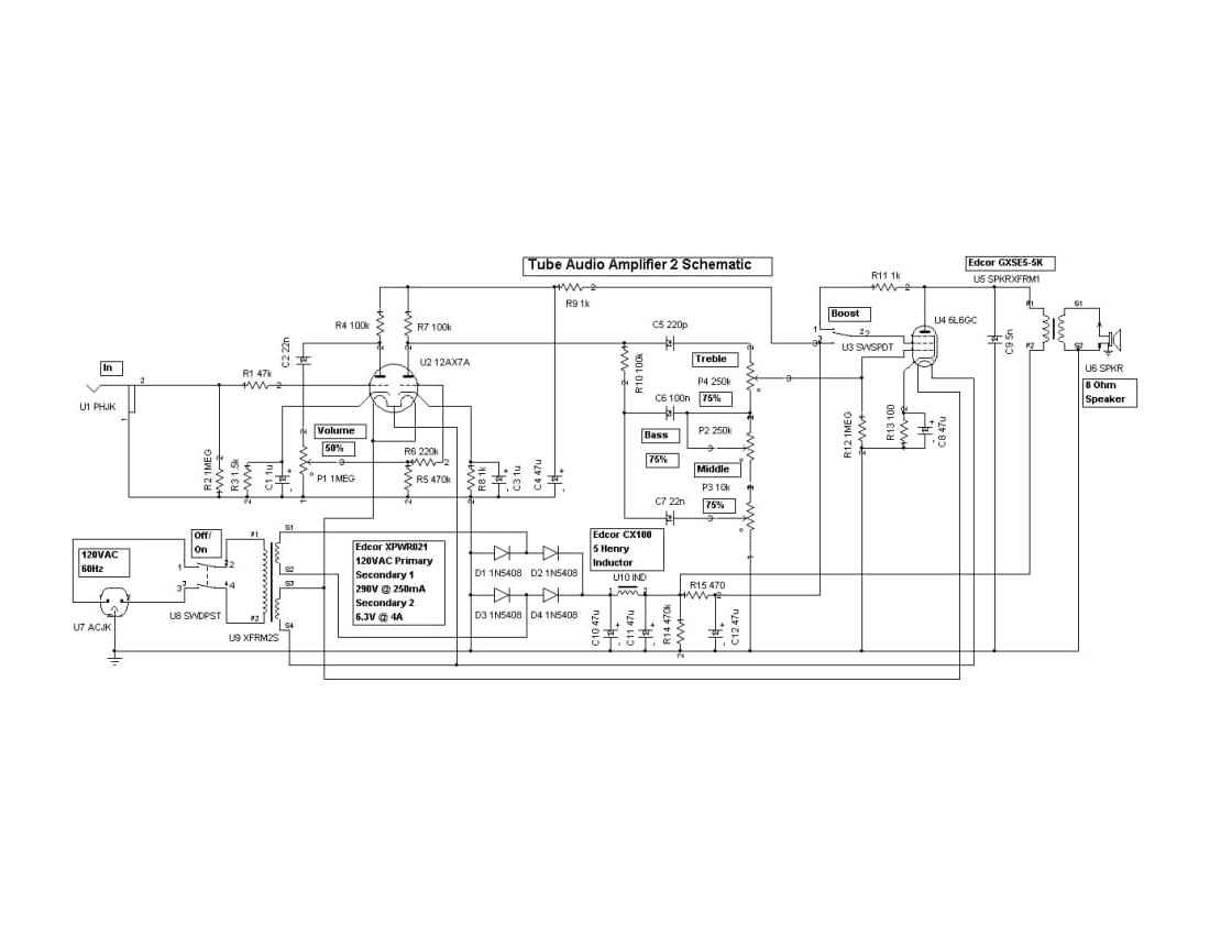
Tube Audio Amplifier 2
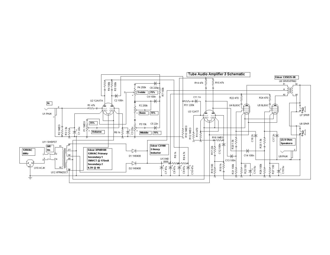
Tube Audio Amplifier 3
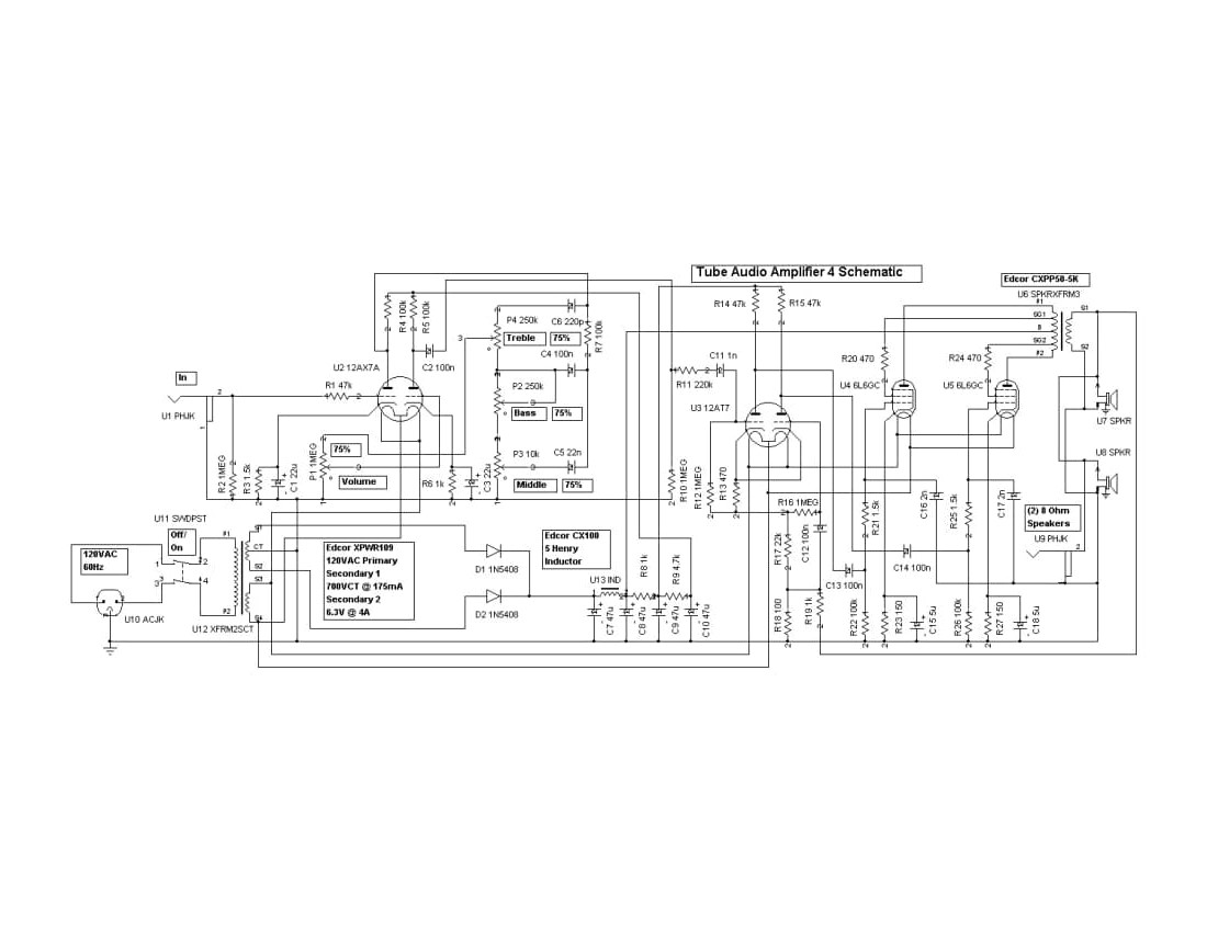
Tube Audio Amplifier 4
Tube Audio Amplifier 5
Tube Audio Amplifier 6
Tube Audio Amplifier 7
Tube Audio Amplifier 8
Tube Audio Amplifier 9
Tube Audio Amplifier 10
EXPERIMENTAL PROJECTS
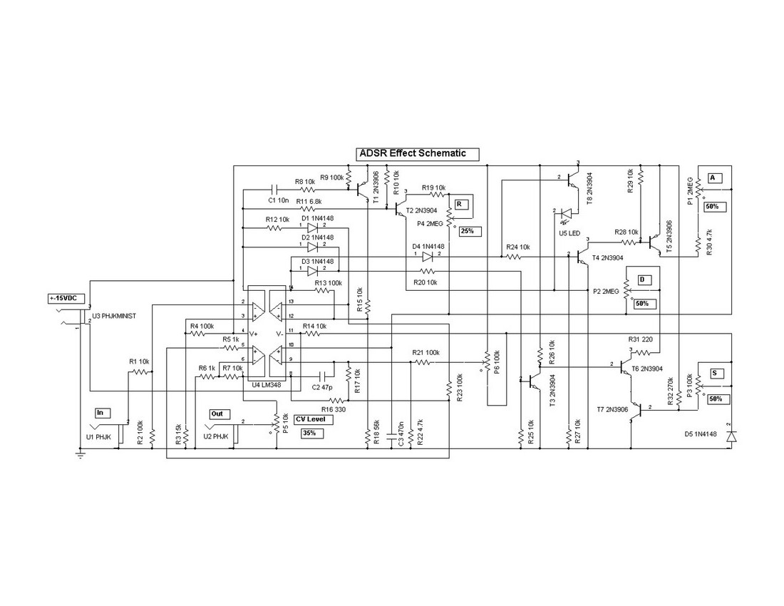
ADSR Effect
CA3080 Voltage Controlled Amplifier
Envelope Follower 1
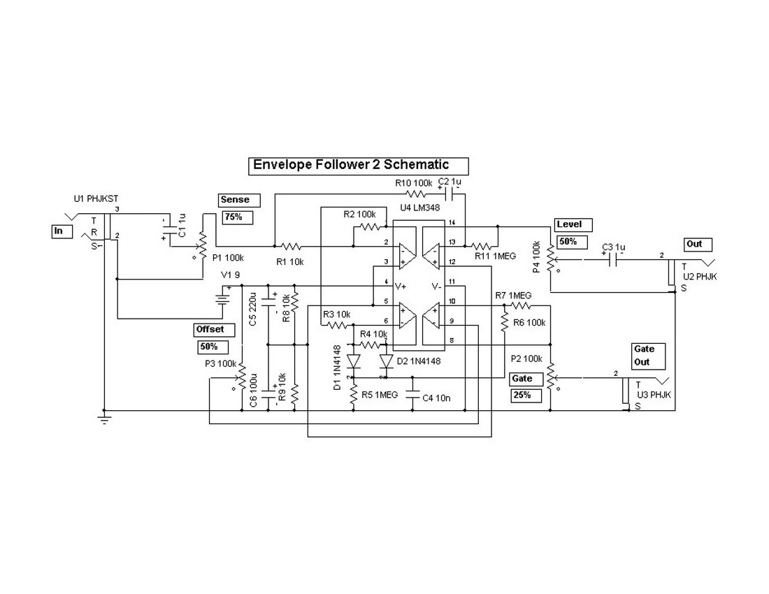
Envelope Follower 2
LED Audio Clip Detector
LED Peak Detector (4 Versions)
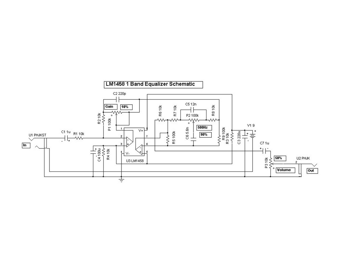
LM1458 1 Band Equalizer
Quad OpAmp Voltage Controlled Amplifier 1
Quad OpAmp Voltage Controlled Amplifier 2
LM741 OpAmp Audio Preamp
TL071 OpAmp Audio Preamp
LM1458 Dual OpAmp Audio Preamp
TL072 Dual OpAmp Audio Preamp
NSL-32 Optocoupler
Voltage Controlled Amplifier 1
Voltage Controlled Amplifier 2
Voltage Controlled Amplifier 3
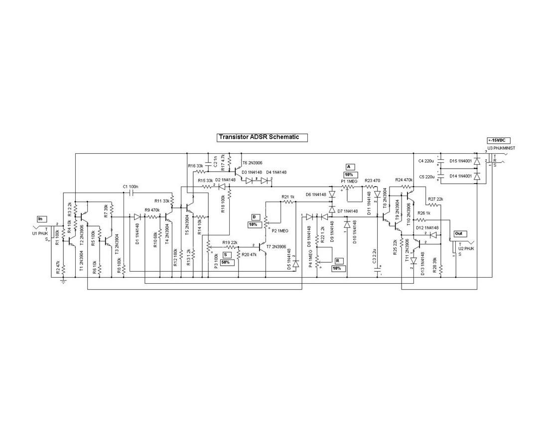
Transistor ADSR
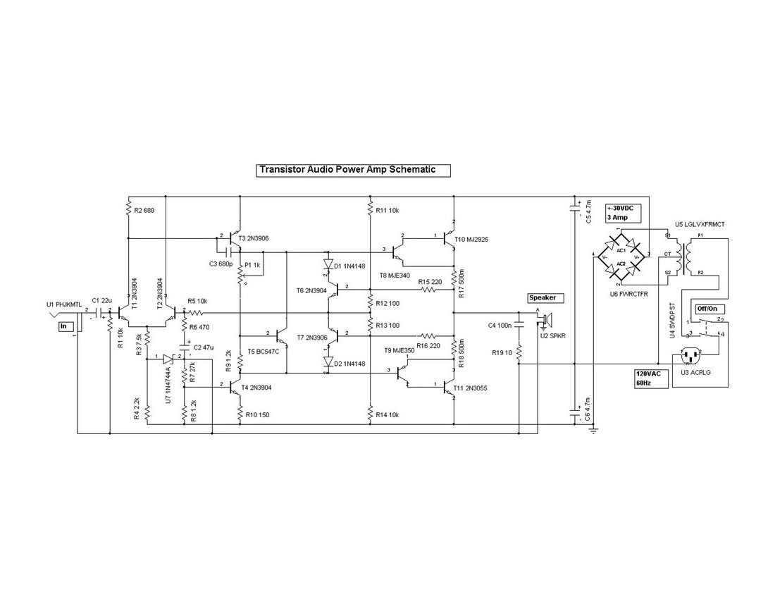
Transistor Audio Power Amp
... Supplemental ...
AUDIO PROJECTS
Return to Top
True Bypass EFX
Return to Top
Send/Receive EFX
Return to Top
Low Impedance Preamp
Return to Top
Transistor Bass and Treble Tone Controls
Return to Top
LM1458 Dual OpAmp 3 Tone Controls
Return to Top
6 Band Equalizer
Return to Top
4 Channel Audio Mixer
Return to Top
4 Channel Audio Mixer 2
Return to Top
Audio Overdub Mixer
Return to Top
Audio Overdub Mixer 1
Return to Top
Audio Overdub Mixer 2
Return to Top
Audio Overdub Mixer 3
Return to Top
4-Input 2-Output Audio Mixer
Return to Top
AAA FUZZ (2 Versions)
Return to Top
Vintage Guitar Fuzz (3 Versions)
Return to Top
Overdrive/Distortion Preamp
Return to Top
Electric Guitar Distortion Effect
Return to Top
Z-Overdrive
Return to Top
NPN Transistors Fuzz Effect
Return to Top
LM741-LM386 Overdrive/Distortion Effect
Return to Top
LM741-LM386 Overdrive/Fuzz Effect
Return to Top
LM741/Transistors Octave Fuzz Effect
Return to Top
LM386/Transformer Octave Fuzz Effect
Return to Top
Transistors/Transformer Octave Fuzz Effect
Return to Top
Transistors Octave Fuzz Effect
Return to Top
Octave SuperFuzz Effect
Return to Top
Big Muff 1Pi
Return to Top
Big Muff 2Pi
Return to Top
Plug-In Electric Guitar Fuzz Effect
Return to Top
OpAmp/12AX7A Tube Overdrive Effect
Return to Top
OpAmp/12AX7A Tube Overdrive Effect 2
Return to Top
Attack/Decay Effect
Return to Top
Voltage Controlled Bandpass Filter
Return to Top
AutoWah Effect
Return to Top
Wah Tone Effect
Return to Top
LM1496 Audio Frequency Doubler
Return to Top
AD633 Ring Modulator
Return to Top
LM386 Square Wave Oscillator (w/Speaker)
Return to Top
LM386 Square Wave Oscillator PCB
Return to Top
2 Transistor Sine Wave Audio Signal Generator
Return to Top
Audio Signal Injector
Return to Top
Signal Injector/Tracer
Return to Top
LM386 Low Voltage Audio Amplifier
DC POWER SUPPLY PROJECTS
Return to Top
5 VDC w/Backup Power
Return to Top
9 VDC Power Supply
Return to Top
Multi-Voltage Power Supply
Return to Top
Variable DC Power 1
Return to Top
Variable DC Power 2
Return to Top
Variable DC Power 3
Return to Top
Variable DC Power 4
VALVE PROJECTS
Return to Top
5U4GB Power Supply
Return to Top
Tube Audio Amplifier 1
Return to Top
Tube Audio Amplifier 2
Return to Top
Tube Audio Amplifier 3
Return to Top
Tube Audio Amplifier 4
Return to Top
Tube Audio Amplifier 5
Return to Top
Tube Audio Amplifier 6
Return to Top
Tube Audio Amplifier 7
Return to Top
Tube Audio Amplifier 8
Return to Top
Tube Audio Amplifier 9
Return to Top
Tube Audio Amplifier 10
EXPERIMENTAL PROJECTS
Return to Top
ADSR Effect
Return to Top
CA3080 Voltage Controlled Amplifier
Return to Top
Envelope Follower 1
Return to Top
Envelope Follower 2
Return to Top
LED Audio Clip Detector
Return to Top
LED Peak Detector (4 Versions)
Return to Top
LM1458 1 Band Equalizer
Return to Top
Quad OpAmp Voltage Controlled Amplifier 1
Return to Top
Quad OpAmp Voltage Controlled Amplifier 2
Return to Top
LM741 OpAmp Audio Preamp
Return to Top
TL071 OpAmp Audio Preamp
Return to Top
LM1458 Dual OpAmp Audio Preamp
Return to Top
TL072 Dual OpAmp Audio Preamp
Return to Top
NSL-32 Optocoupler
Return to Top
Voltage Controlled Amplifier 1
Return to Top
Voltage Controlled Amplifier 2
Return to Top
Voltage Controlled Amplifier 3
Return to Top
Transistor ADSR
Return to Top
Transistor Audio Power Amp
Return to Top